Bildergalerie Impressionen
Nachfolgend ein paar Impressionen aus meiner Unterrichtstätigkeit als Berufsfachschullehrer, und aus den Tätigkeiten für die Projektierung, Ausführung und die Programmierung von elektrischen Steuerungen.
Versuchsaufbauten Berufsfachschule
Um den Unterricht abwechslungsreich, praxisnah und verständlich zu gestallten, wird oft mit Versuchsaufbauten unterrichtet.
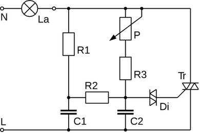
Sinuskurve beim Dimmer (Lichtregler)
mit Phasen-Anschnitt-Steuerung

Steuerungs- und Schaltanlagen
